HPB型滑片泵工作原理图文解析-泰盛

泰盛泵阀
咨询服务热线:
0317-8293100
热门关键词: 不锈钢齿轮泵|高温导热油泵|凸轮转子泵|罗茨泵|2CY不锈钢齿轮泵|LC型罗茨泵|NYP不锈钢高粘度泵|

HPB型滑片泵工作原理图文解析

作者:泊头市泰盛泵阀有限公司  发布时间:2019/8/6 11:53:10
泰盛如果对大家单单只说HPB型滑片泵,可能我们大家还是不太了解,今儿泰盛厂家厂家的小编会以图文方式为大家介绍,给大家讲解一些该泵阀设备的工作原理,这样都让大每一位新老顾客能够清楚的了解该型号滑片泵工作原理。
HPB型滑片泵
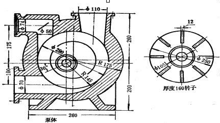
HPB型滑片泵又叫滑板泵、叶片泵,其结构简图如上图所示。它主要由转子、定子(即泵壳)、滑板及两侧盖板所组成。依靠偏心转子旋转时泵缸与转子上相邻两叶片间所形成的工作容积的变化来输送液体或使之增压的回转泵(见泵)。转子是具有径向槽的圆柱体,槽内安放滑片,滑片可以在槽内自由滑动。转子偏心地安放在泵体内,当转子由原动机带动旋转时,滑片依靠离心力或弹簧力紧压在泵体的内壁上。在转子前半转,相邻两叶片所包围的空间逐渐增大形成局部真空而吸人液体。而后半转,此空间逐渐减小,挤压液体,将液体压送到排出管中。

HPB型滑片泵
可以根据滑片的安装位置进行分为两种形式的泵阀设备:一是内装滑片泵:泵阀设备的滑片装在转子上;二是:外装滑片泵泵阀设备的滑片装在泵体上。一般这类泵工作压力在7MPa以下。HPB型滑片泵结构较紧凑,外形尺寸不大,流量较均匀,运转平稳,脉动和噪声小,效率比一般齿轮泵高。滑片泵结构复杂,零件易磨损。
浏览更多关于:滑片泵
公司名称:泊头市泰盛泵阀有限公司 公司地址:泊头市104国道东侧 电话:0317-8293100 传真:0317-8293100 
手机:13131703126 网址:http://www.yuanhubeng.com 
泊头市泰盛泵阀有限公司 2011(C)版权所有 并对网站所有内容保留解释权 冀ICP备11000536号-4 
PowerBy:速贝·网搜宝 网站建设:中科四方 技术支持:速贝微博
泊头泰盛泵阀
“扫一扫”加入我们